

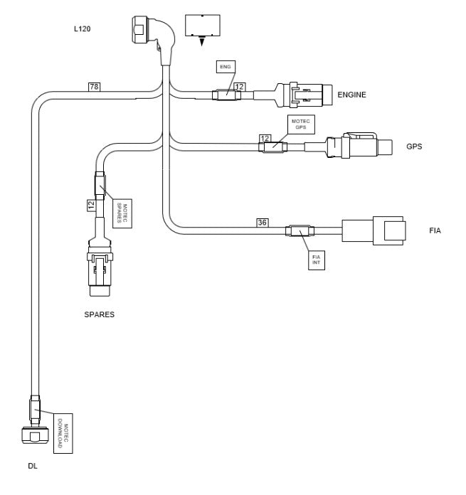
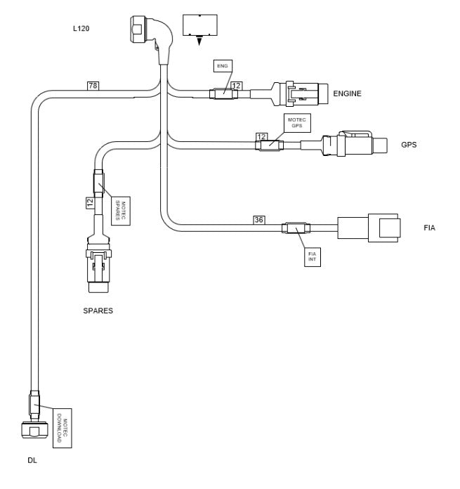
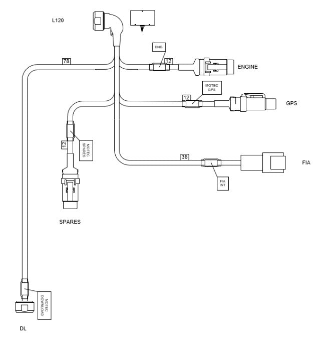
Required cockpit logging loom for Apex One, which integrates the Motec L120 Logging Kit to required GPS and pressure sensor(s).
Please select your appropriate configuration for your application for either a single or dual manifold engine. Race Grade 60PSIA Pressure sensor(s) will be included with your harness selection.
Currently, UPS is our preferred shipping carrier for both domestic and international orders, however we will ship via FedEx if required. At checkout, you may select your preferred service type from UPS and benefit from our discounted shipping rates. Orders received before 12PM EST are able to be shipped the same day, pending the items ordered are in stock at our location. If an order is placed after 12PM EST and is urgent required expedited shipping, please contact us at (386) 333-9543, and we will do everything we can to process your request.
The current ground transit days from our facility as of 05SEP2024 are listed below. The transit times are subject to change at any given time via UPS/FedEx. Please visit their website for the most accurate information.
We can ship to virtually any address in the world. Note that there are restrictions on some products, and some products cannot be shipped to international destinations.
When you place an order, we will estimate shipping and delivery dates for you based on the availability of your items and the shipping options you choose. Depending on the shipping provider you choose, shipping date estimates may appear on the shipping quotes page.

You may return most new, unopened items within 7 days of delivery for a full refund (less the cost of shipping). Special order items will be subject to a restocking fee, so please contact us before sending your item. Your refund will process within one week of Creative Motorsport Solutions receiving your item. Please note the time it takes your bank to process your refund may take up to 5 to 10 business days.
Thanks for subscribing!
This email has been registered!